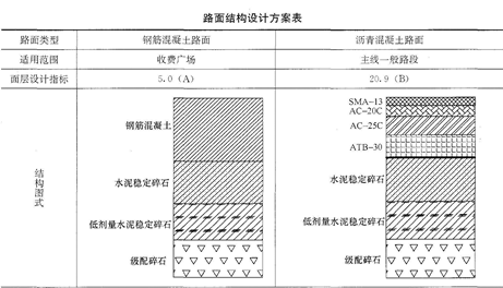
某施工单位承建了某高速公路路面工程,其主线一般路段及收费广场路面结构设计方案如下表所示。
备注:①沥青路面的上、中面层均采用改性沥青;②沥青路面面层之间应洒布乳化沥青作为C,在水泥稳定碎石基层上应喷洒液体石油沥青作为D,之后应设置封层。本项目底基层厚度为20cm,工程数量为50万m³。施工单位在底基层施工前完成了底基层水泥稳定碎石的配合比等标准试验工作,并将试验报告及试验材料提交监理工程师中心试验室审批。监理工程师中心试验室对该试验报告的计算过程复核无误后,批复同意施工单位按标准实验的参数进行底基层的施工。本项目最终经监理工程师批复并实施的底基层水泥稳定碎石施工配合比为:水:水泥:碎石(10~30mm):碎石(5~10mm):石屑(0~5mm)=5.8:3.8:48:10:42,最大干密度为2.4g/cm³,底基层材料的施工损耗率为1%。问题:1.按组成结构分,本项目上面层、中面层分别属于哪一类沥青路面结构?2.写出路面结构设计方案表中括号内A、B对应的面层设计指标的单位。3.写出路面结构设计方案表中备注②所指功能层C、D的名称,并说明设置封层的作用。4.监理工程师中心试验室对底基层水泥稳定碎石配合比审批的做法是否正确?说明理由5.计算本项目底基层水泥稳定碎石的水泥需用量多少吨?(计算结果保留一位小数)
分享到:
